Page 1 sur 1
ma witbox me parle chinois : (
Publié : dim. mars 03, 2019 9:39 pm
par leboscalet
hello a tous ça fais depuis quelques jours que ma witbox 1 me joue des tours.
Après quelques minutes 30, 40 environs l' écran de la witbox 1 se mets a mettre des symbole bizarre sur l' écran,
et mon impression se décale dans les axes x,y de quelques pas.
je ne sais pas vers quoi me diriger.
Re: ma witbox me parle chinois : (
Publié : lun. mars 04, 2019 12:07 am
par Jacques
Problème d'électricité statique donne ce résultat mais sans rien faire d'autre.
Dans votre cas il s'agit probablement du câble moteur X défectueux qui génère des parasites.
Souvent une rupture au niveau de la courbe de la chaine Y qui alimente moteur X et l'extrudeur provoque ce résultat (première chaine depuis l'électronique).
Vérifiez les branchements moteurs et les branchements Ramps (par acquis de conscience).
Mettez un câble en volant pour relier le moteur X et la ramps et testez ainsi.
Si le problème disparaît il faudra remplacer le câble X ou la chaîne complète
Vous pouvez aussi mesurer à l'ohmmètre les 4 fils du cable (calibre 200 ohms, vous devez trouver moins de 1 ohm par fil)
Bougez votre l'axe Y (avant/arrière) afin de détecter à quel endroit le défaut est présent.
En effet s'il y a une coupure, elle n'est probablement détectable qu'à un seul endroit de la course Y.
Si vous imprimez une petite pièce à un autre endroit du plateau ca risque de bien fonctionner
A priori ce n'est pas le temps d'impression mais plus probablement la zone d'impression qui fait apparaître ce défaut.
Tentez de vérifier ce point et imprimez seulement sur cette zone un cube par exemple
Re: ma witbox me parle chinois : (
Publié : lun. mars 04, 2019 12:52 am
par leboscalet
Waw quel précision . Je regarde à cela demain , un grand merci
Re: ma witbox me parle chinois : (
Publié : mer. mars 06, 2019 7:26 pm
par leboscalet
Hello voici quelques infos de mes investigations :
Le câble alimentant le moteur pour l' axe x est correcte .
par contre la connectique du moteur de l' extrudeur présente du jeu .
A votre avis, celui-ci peut il provoquer mes problèmes ? Je dois vous en commander un et le changer je lui ai tordu le cou : ( .
( je ne le vois pas dans le shop online il mesure 145 cm

. )
j' ai ouvert le boitier ou se cache l' alimentation et la carte , c ' était la fête de la poussière la dedans ! Ce peut' il que la poussière provoque une hausse de la température et que lcelle-ci puisse faire ces erreurs ?
En vous remerciant
Tristan .
Re: ma witbox me parle chinois : (
Publié : jeu. mars 07, 2019 7:02 pm
par Jacques
On a tous les câbles ou la chaine complète dispo en stock, il suffit de demander à Alexandre au magasin.
Le connecteur moteur ne semble pas en cause malgré le fil dénudé.
Le câble de l'extrudeur peut lui aussi être en cause et provoquer le problème que vous constatez mais ca n'expliquerait pas les pertes de pas des moteurs.
Il n'est pas très simple de vérifier la continuité d'un câble. Vous ne savez pas, changez le câble pour un nouveau mis en volant.
Avant toute chose, tentez de provoquer la panne de manière systématique afin de lever le doute avec un nouveau câble.
Comprenez que la panne LCD correspond à des parasite sur la ligne du LCD. Ce problème n'affecte pas l'électronique de l'imprimante. La perte de pas d'un moteur s'il est simultané au problème du LCD a un lien commun. C'est la coupure anormale de courant dans le câble qui peut induire des parasites et fait afficher des caractères aléatoires sans pour autant planter l'impression.
Trop de chaleur peut mettre en protection un driver mais dans ce cas, u n des moteurs ne fonctionnera quelques minutes le temps de refroidir. C'est en principe l'extrudeur qui chauffe le plus.
Donc une surchauffe se constate assez facilement par un moteur que s'arrête une minute puis reprend du service (décalé bien entendu)
Re: ma witbox me parle chinois : (
Publié : jeu. avr. 18, 2019 9:56 pm
par leboscalet
Hello a tous j ai bien reçus les câbles, j ai tous remis en place .
Mais la galère plus moyen de retrouver ou allais exactement chaque câble sur la carte et devinez quoi , j ai omis de prendre des photos avant démontage donc plus moyen de savoir où chaque câble va ? Personne n’a une photo de la carte connectée ou le schéma avec les bonnes couleur pour ma witbox 1 ? Merci
Re: ma witbox me parle chinois : (
Publié : jeu. avr. 18, 2019 10:40 pm
par Jacques
https://storage.googleapis.com/bqcom15. ... 829385.pdf
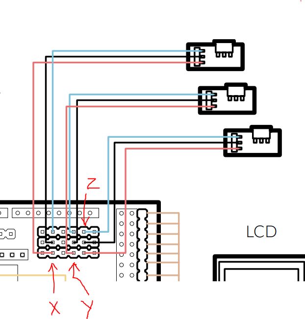
Page 51 Attention aux switch fin de course, mal branchés les moteurs vont butés en fin de course.
Le plan de la ramps avec les inscriptions
Notez le repérage des switch x,y,z. Attention regardez bien le plan pdf, les switch witbox sont branchés de manière particulière (suivez bien les fils pour voir ou ils se connectent)
Détail ci-dessous

- xyz witbox.JPG (54.94 Kio) Consulté 9679 fois