Bonjour
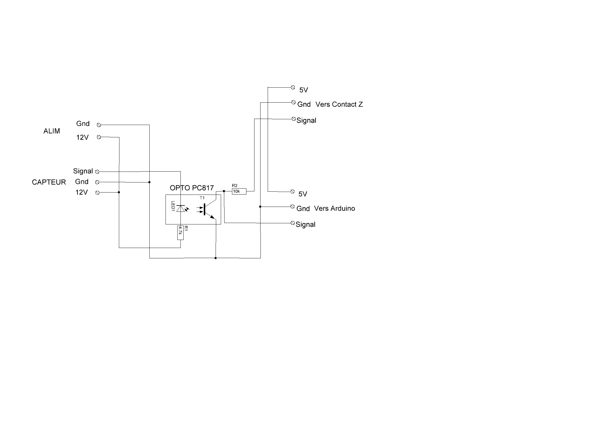
un nouveau plan du circuit d'interface optocoupleur avec
en plus le contact z en securité si le capteur ne fonctionne pas
Auto Level Hephestos Sans contact (Mise à jour du 31/01/15)
- Jacques
- Site Admin
- Messages : 5690
- Inscription : jeu. oct. 23, 2014 3:02 pm
- Imprimante 3D : Witbox, Witbox 2 et Hephestos
- Localisation : Aix en Provence
- Contact :
Il faut se connecter depuis Cura à l'imprimante et lancer M114 en entrant directement la commande depuis l'interface machine
Des idées d'améliorations https://www.thingiverse.com/Premium/designs
Une question, une précision, un manque de pièces détachées, posez vos questions ici même.
Une question, une précision, un manque de pièces détachées, posez vos questions ici même.
-
Stef263
- Contributeur actif
- Messages : 171
- Inscription : lun. mai 11, 2015 8:40 pm
- Imprimante 3D : Prusa Hephestos
Ok merci pour cura c est bon,
Je viens de brancher mon installation du capteur sur l emplacement dédié au Z mais marche pas!!!
Qui peu me donner le schéma de branchement sur la carte rampe 1.4
?
Je viens de brancher mon installation du capteur sur l emplacement dédié au Z mais marche pas!!!
Qui peu me donner le schéma de branchement sur la carte rampe 1.4
?
- Jacques
- Site Admin
- Messages : 5690
- Inscription : jeu. oct. 23, 2014 3:02 pm
- Imprimante 3D : Witbox, Witbox 2 et Hephestos
- Localisation : Aix en Provence
- Contact :
Il faut aller un peu plus loin et mesurer le signal au niveau de la carte Ramps.
La broche à mesurer est celle marquée S, qui est en principe le fil jaune.
La broche à mesurer est celle marquée S, qui est en principe le fil jaune.
Des idées d'améliorations https://www.thingiverse.com/Premium/designs
Une question, une précision, un manque de pièces détachées, posez vos questions ici même.
Une question, une précision, un manque de pièces détachées, posez vos questions ici même.
-
Stef263
- Contributeur actif
- Messages : 171
- Inscription : lun. mai 11, 2015 8:40 pm
- Imprimante 3D : Prusa Hephestos
Merci Jacques mais,
c'est trop fort pour moi...
j’abandonne auto leving pour l'instant;
j 'ai passé trop de temps dessus.
un bon point tout de même le plateau chauffant fonctionne très bien
c'est trop fort pour moi...
j’abandonne auto leving pour l'instant;
j 'ai passé trop de temps dessus.
un bon point tout de même le plateau chauffant fonctionne très bien
Honnêtement es-ce vraiment utile ?
Depuis le mois de mars ma machine est solidement fixée sur un plan de travail de 40mm, le Z est rigidifier, le seul moment où j'ai retouché mon plateau c'est la semaine dernière quand j'ai du changer mes paliers qui grogné (il manqué des billes)
Et j'imprime tout les jours.
Je suis quand même épaté par le talent que certaines personnes ont pour développé tout ça.
Depuis le mois de mars ma machine est solidement fixée sur un plan de travail de 40mm, le Z est rigidifier, le seul moment où j'ai retouché mon plateau c'est la semaine dernière quand j'ai du changer mes paliers qui grogné (il manqué des billes)
Et j'imprime tout les jours.
Je suis quand même épaté par le talent que certaines personnes ont pour développé tout ça.
-
bryceletarmo
- Contributeur
- Messages : 93
- Inscription : lun. janv. 12, 2015 3:14 pm
- Imprimante 3D : Prusa I3 Hephestos
Salut,
je suis amené à la déplacer régulièrement et je suis très content d'avoir l'autoloveling ^^
A++
Brice
je suis amené à la déplacer régulièrement et je suis très content d'avoir l'autoloveling ^^
A++
Brice
-
Stef263
- Contributeur actif
- Messages : 171
- Inscription : lun. mai 11, 2015 8:40 pm
- Imprimante 3D : Prusa Hephestos
Bonjour à tous ,
J ai recommencé à me pencher sur le sujet.
Mes avancées :
Montage et branchement du capteur OK
Fixation au niveau de la buse OK
Programmation du firmware Ok
Après c est le probleme,
J ai un peu de difficulté à suivre la procédure de départ !!!
Je n arrive pas a trouver les paramètres du Z!
Quant je ramène la buse sur le verre + 1 feuille de papier et que je rentre dans cura pour réaliser la commande G28 x0y0z0 rien ne se passe.
Pour la commande m114 non plus.
En bref mon Z est situé à l heure actuel a 10cm du plateau quant je mets en marche le GCode a imprimer.
Le palpage est aussi réalisé à cette hauteur.
Qui peut m aider pour avoir le bon Z?
J ai recommencé à me pencher sur le sujet.
Mes avancées :
Montage et branchement du capteur OK
Fixation au niveau de la buse OK
Programmation du firmware Ok
Après c est le probleme,
J ai un peu de difficulté à suivre la procédure de départ !!!
Je n arrive pas a trouver les paramètres du Z!
Quant je ramène la buse sur le verre + 1 feuille de papier et que je rentre dans cura pour réaliser la commande G28 x0y0z0 rien ne se passe.
Pour la commande m114 non plus.
En bref mon Z est situé à l heure actuel a 10cm du plateau quant je mets en marche le GCode a imprimer.
Le palpage est aussi réalisé à cette hauteur.
Qui peut m aider pour avoir le bon Z?
-
Stef263
- Contributeur actif
- Messages : 171
- Inscription : lun. mai 11, 2015 8:40 pm
- Imprimante 3D : Prusa Hephestos
Help
J y suis presque
Je viens de refaire la procédure et c est pareil !!!
A l exécution de la commande G28 x0 y0 z0
Sur cura rien ne se passe à l écran j ai : G28 X0 Y0 Z0
J arrête l imprimante , je cale la buse au verre avec 1 feuille de papier.
Je rallume l imprimante
Je fait M114
Et je relève les données :
J ai toujours X0 Y0 Z0
J oublie quoi?
Ps:
Si je commence 1 impression, le palpage est réalisé à +~ 8 cm et ensuite l impression commence aussi a 8 cm
J y suis presque
Je viens de refaire la procédure et c est pareil !!!
A l exécution de la commande G28 x0 y0 z0
Sur cura rien ne se passe à l écran j ai : G28 X0 Y0 Z0
J arrête l imprimante , je cale la buse au verre avec 1 feuille de papier.
Je rallume l imprimante
Je fait M114
Et je relève les données :
J ai toujours X0 Y0 Z0
J oublie quoi?
Ps:
Si je commence 1 impression, le palpage est réalisé à +~ 8 cm et ensuite l impression commence aussi a 8 cm
- Jacques
- Site Admin
- Messages : 5690
- Inscription : jeu. oct. 23, 2014 3:02 pm
- Imprimante 3D : Witbox, Witbox 2 et Hephestos
- Localisation : Aix en Provence
- Contact :
Comment elle fait pour palper à 8cm ?
A cette distance le capteur ne peut fonctionner
A cette distance le capteur ne peut fonctionner
Des idées d'améliorations https://www.thingiverse.com/Premium/designs
Une question, une précision, un manque de pièces détachées, posez vos questions ici même.
Une question, une précision, un manque de pièces détachées, posez vos questions ici même.
-
Stef263
- Contributeur actif
- Messages : 171
- Inscription : lun. mai 11, 2015 8:40 pm
- Imprimante 3D : Prusa Hephestos

Une petite aide pour le réglage du capteur :
1°) Home X et Home Y
2°) Faire un repère au centre du plateau avec un marqueur
3°) Centré la tête d'impression au centre du plateau au niveau du repère.
4°) Descendre la tête avec Cura (commande Z) au maximum
5°) Couper l'alimentation de l'imprimante
6°) Descendre manuellement la tête et régler avec une feuille la hauteur d'impression.
7°) Une fois fait faire la commande G92 X0 Y0 Z0
8°) Remettre l’alimentation de l'imprimante
9°) Positionner le capteur en lieu et place de la tête sur le plateau.
10°) Faire descendre la capteur jusqu’à qu'il s'allume (ajuster le plus précisément possible la hauteur du capteur par pas de 0.1mm)
je vous donne une photo et impossible de configurer le Z par cura
sur l’écran de la machine j'ai :

11°) Une fois réglé faire M114
12°) Relever les valeur X Y Z et inverser la valeur (ex : X 20 Y 30 Z 2.5 = X 20 Y 30 Z 2.5) et les insérer des le firmware
Exemple :
-
maccoa
- Membre actif
- Messages : 29
- Inscription : mar. mars 10, 2015 6:23 pm
- Imprimante 3D : prusa I3 hephestos
un très bon tuto fais par un membre du forum reprap.
http://paste2.org/VC8Hkatf
simple efficace ça prend 2min à faire.
http://paste2.org/VC8Hkatf
simple efficace ça prend 2min à faire.
-
Stef263
- Contributeur actif
- Messages : 171
- Inscription : lun. mai 11, 2015 8:40 pm
- Imprimante 3D : Prusa Hephestos
Merci,
quant je descend le Z au point 0 il reste à 20mm du verre
si je dois descendre plus le Z je dois éteindre la machine...
et quant je fais M114 dans cura j'ai les valeurs du X Y Z à 0
c'est la le problème mais je ne sais pas!!!
quant je descend le Z au point 0 il reste à 20mm du verre
si je dois descendre plus le Z je dois éteindre la machine...
et quant je fais M114 dans cura j'ai les valeurs du X Y Z à 0
c'est la le problème mais je ne sais pas!!!

