Arrêt de la ventilation automatique Witbox et Hephestos

Amélioration spécifiques Witbox BQ et rien d'autre
gdjeff
Contributeur actif
Messages : 170
Inscription : dim. oct. 26, 2014 9:08 am
Imprimante 3D : BQ Witbox

Ca semble bien bien cool !
Je n'ai pas démonté le witbox, mais sur les plans, s'ils sont complets, il me semble qu'il y a de la place sous le carter de protection
Sera -t-il possible d'y loger cette carte?

Une idée du coût éventuellement?

Je reste toujours intéressé également d'y installer la cam et la gestion wifi ou ethernet mais je ne retrouve plus le post pour relancer le concepteur :D
Axel
Vénérable membre
Messages : 393
Inscription : sam. oct. 25, 2014 7:23 am
Imprimante 3D : WITBOX

La carte contrôlera t-elle tous les ventilateurs ?
Une question idiote : c'est indépendant de la température extérieure je suppose ?
Avatar de l’utilisateur
Jacques
Site Admin
Messages : 5701
Inscription : jeu. oct. 23, 2014 3:02 pm
Imprimante 3D : Witbox, Witbox, Hephestos, Bambu Lab P2S Combo
Localisation : Aix en Provence
Contact :

gdjeff a écrit :Ca semble bien bien cool !
Je n'ai pas démonté le witbox, mais sur les plans, s'ils sont complets, il me semble qu'il y a de la place sous le carter de protection
Sera -t-il possible d'y loger cette carte?

Une idée du coût éventuellement?

Je reste toujours intéressé également d'y installer la cam et la gestion wifi ou ethernet mais je ne retrouve plus le post pour relancer le concepteur :D
Ce sera installable sous le carter, pour le coût ca restera très raisonnable pour celui qui le monte seul. Pour les autres ce sera surtout le temps de montage, env. 30mn

Pour la cam ca reste en projet mais il nous faut trouver une lentille pour affiner la mise au point à 20cm, ajouter le système d'éclairage et prévoir le passage des câbles pour faire propre.
Axel a écrit :La carte contrôlera t-elle tous les ventilateurs ?
Une question idiote : c'est indépendant de la température extérieure je suppose ?
Pas tous les ventilateurs mais juste celui de l'extrudeur et les deux gros du caisson.
Cette carte permettra uniquement de baisser le bruit, pas de réguler la température dans la machine car pour se faire il faudrait commander les ventilateurs progressivement pour éviter les variations de température trop violentes.
Ca peut se faire mais c'est un développement tout autre car il faudrait non seulement mesurer la température interne mais aussi celle externe afin d'éviter une ventilation pleine puissance avec de l'air éventuellement plus chaud que celui à l'intérieur de la machine.... :!:
Par contre c'est un module qui peut être développé plus tard tout en étant compatible avec celui actuel
Des idées d'améliorations https://www.thingiverse.com/Premium/designs
Une question, une précision, un manque de pièces détachées, posez vos questions ici même.
Axel
Vénérable membre
Messages : 393
Inscription : sam. oct. 25, 2014 7:23 am
Imprimante 3D : WITBOX

Jacques, ne m'en voulez pas, mais Il y a quelque chose qui m'échappe !

Loin de moi bien sûr, l'idée de critiquer votre recherche et le développement de ce circuit imprimé car j'en suis bien incapable. Et toute solution pour diminuer le bruit inhérent à ces ventilateurs est la bienvenue. C'est un super projet et je serais bien content, comme tout le monde, de ne pas devoir supporter ces sifflements en permanence. Mais je me demande si on ne prend pas le problème à l'envers et qu'on pourrait résoudre la question tout autrement…. pour une Witbox 2

D'après ce que je peux déduire du comportement des gros ventilateurs à l'arrière de la Witbox, c'est bien de l'air qui est aspiré à l'intérieur de l'imprimante et qui est expulsé vers l'extérieur : il suffit de placer une main au dos de l'appareil pour sentir l'air pulsé et s'en convaincre.
A quoi peuvent bien servir ces ventilos, si ce n'est pas pour essayer de" réguler", tant que faire se peut, la t° intérieure ?
Hors ils tournent en permanence dès qu'on allume l'imprimante, aspirent l'air extérieur (grâce aux nombreux orifices d'entrée) et le rejettent illico.
On est ici, me semble t-il, dans cette sorte d'ineptie que vous décrivez très bien lorsque vous dites " il faudrait non seulement mesurer la température interne mais aussi celle externe afin d'éviter une ventilation pleine puissance avec de l'air éventuellement plus chaud que celui à l'intérieur de la machine.."

Pourquoi les ingénieurs de BQ ont-ils conçu cette ventilation forcée ?

- s'il fait plus chaud à l'extérieur de l'enceinte, on introduit encore plus vite plus de chaleur à l'intérieur : en été, quand j'avais plus de 30° dans la pièce où est installée mon imprimante, je n'arrivais presque plus à décoller les objets imprimés !
- s'il fait plus froid dehors que dedans, pourquoi encore rafraîchir l'intérieur ? Maintenant que l'hiver est presque là, ce même local, impossible à chauffer, subit des variations importantes de t° et je suis obligé d'amener de la chaleur autour du plateau d'impression pour espérer voir mes pièces tenir au verre. Je me passerais bien de ces ventilateurs dans ce cas.

Mon système de chauffage est extrêmement simple mais aussi très perfectible : ces mêmes ingénieurs trouveraient certainement une solution plus élégante et donneraient à la Witbox un avantage technique indéniable dans cette gamme de prix d'imprimantes.

J'ai ôté le plexi droit de la Witbox et placé à proximité (environ 50cm) un tout petit chauffage électrique d'appoint consommant 750w. L'air qui pénètre à l'intérieur du volume est diffus et tiède. (cependant, une bonne part de cette chaleur ainsi produite est "perdue" )
Ce petit radiateur est simplement commandé par un thermostat d'ambiance (utilisé pour le chauffage central d'une maison) placé à l'intérieur du volume et réglé sur +/- 25°. Cela fonctionne très bien mais avec beaucoup de perte d'énergie et une consommation inutile d'électricité.

Pourquoi dès lors ne pas combiner tout cela en un seul système indépendant du software et qui assujettirait les ventilateurs au thermostat et à un système de production d'air chaud …. et d'air froid ?
Je ne vois pas où se trouve le problème, hormis pour la production d'air froid.

Sans doute trouverez-vous la faille dans mon raisonnement ! Mais je suis sûr qu'une t° régulée, même simplement et de manière approximative, est l'une des clefs de bien de succès en cette matière et la Witbox a des atouts au départ puisqu'elle dispose d'une enceinte fermée et de ventilateurs.
Avatar de l’utilisateur
Jacques
Site Admin
Messages : 5701
Inscription : jeu. oct. 23, 2014 3:02 pm
Imprimante 3D : Witbox, Witbox, Hephestos, Bambu Lab P2S Combo
Localisation : Aix en Provence
Contact :

Je ne suis que revendeur des Witbox, je ne conçois rien mais répercute les infos provenant des clients afin que la Witbox 2 soit plus performante.
BQ écoute, le bruit va être corrigé sur les prochaines machines.

Pour comprendre les choix BQ il faut se reporter à la genèse du projet Witbox. Initialement la Witbox était le fruit d'une petite société nommée Marcha Technologie. Cette entreprise avait imaginée son imprimante avec bien plus de fonctions que ce qui n'est vendu actuellement.
Dans ces caractéristiques il y avait par exemple la double extrudeuse (dont nous n'avons pu vendre qu'un unique exemplaire) et le plateau chauffant pour l'ABS.
BQ rachetant l'entreprise a concentré ses efforts sur la stabilité du produit en supprimant certaines options et entre autre l'ABS.
Et c'est toute l'histoire des ventilateurs. Dans le cas du PLA notre Witbox n'a que la buse qui chauffe avec une puissance de 40 W et les moteurs plus l'électronique pour 20W de plus, soit un total de 60W. Avec un plateau chauffant il faut ajouter 150W de plus ! et encore 40 W pour la deuxième tête.
Plus de 250 W dans une petite machine, ca fait beaucoup de chaleur d'où la présence de ces ventilateurs afin de stabiliser la température par un échange massif d'air provenant de l'extérieur. Le but n'étant pas de réguler la température mais de la stabiliser de facon à avoir des tensions uniformes sur l'ensemble de la construction.
Au passage, sur d'autres imprimantes il n'y a pas de couvercle, de fait par ventilation naturelle la chaleur s'évacue sans ventilation mécanique.
BQ voulaient une machine sécurisée et donc entièrement fermée.
Mission réussi mais au prix d'un bruit important pour pas grand chose puisqu'il n'y a que 60W de puissance à évacuer.
Alors ca c'est pour l'histoire.
Ce que nous pouvons faire c'est déjà supprimer un ventilateur (baisse le bruit de 3dB). Ensuite nous pouvons réguler la température ou du moins ne ventiler qu'après un moment de facon à éviter les températures trop basses. C'est relativement simple une sonde de température et un pwm qui régule la vitesse des ventilateurs de facon à abaisser la température après le début d'impression afin de bien coller la première couche.
Ce système simple permettrait de démarrer une impression plus facilement par basse température mais n'aurait aucune incidence par haute température externe.
A basse température il faudrait alors laisser "chauffer" l'imprimante avant de commencer une impression, pas très simple.
Une solution possible serait de mettre un plateau chauffant à 40°mais c'est relativement compliqué
Après on parle de climatisation, là on change de registre.

L'idéal serait un petit chauffage limité à 25° et une ventilation qui démarre au delà de 25°mais là encore il faudrait un pré-chauffage.
Une solution peu couteuse serait de mettre un plateau chauffant de 20X20 cm au fond du chassis avec une sonde à quelques cm au dessus. Le tout serait branché sur les connections du plateau chauffant et règlé à 25° dans CURA.
L'impression ne pourrait démarrer qu'une fois la température atteinte mais cela suppose de réguler aussi la ventilation pour ne pas chauffer et refroidir en même temps !

Rien de très simple finalement, à part peut être aller se coucher...
Des idées d'améliorations https://www.thingiverse.com/Premium/designs
Une question, une précision, un manque de pièces détachées, posez vos questions ici même.
Axel
Vénérable membre
Messages : 393
Inscription : sam. oct. 25, 2014 7:23 am
Imprimante 3D : WITBOX

Je profite des quelques instants de mise à température de mon imprimante pour vous remercier de cet éclairage qui replace et justifie les choix techniques judicieux de BQ dans leur contexte.
Je comprends mieux maintenant la raison d'être de ventilateurs dans un volume clos.
Je lisais encore ce matin sur un autre forum combien les avantages d'une enceinte fermée sont appréciables pour favoriser la qualité d'impression.
Les autres fabricants s'en sont bien rendu compte car leurs nouveaux modèles à venir seront fermés alors que d'autres proposent dès à présent des kits de fermeture pour leurs imprimantes actuelles.
Le bruit généré par les ventilateurs devenant dès lors secondaires en regard des bienfaits apportés.
gdjeff
Contributeur actif
Messages : 170
Inscription : dim. oct. 26, 2014 9:08 am
Imprimante 3D : BQ Witbox

Perso j'ai débranché un ventilateur depuis le début suite aux recommandation de Jacques. Mais même 1 seul qui tourne tout le temps c'est trop de bruit!

Je me suis déjà penché sur la réalisation d'un silencieux pour ventilo mais pas simple
J'ai aussi trouvé sur le web des ventilations silencieuses

Mais rien ne semble plus logique qu'un ventilateur qui tourne quand il doit tourner !

Idéalement il doit tourner quand la T° excède les 25° dans la witbox mais apparemment ça demande sondes programmations etc.
Donc s'il tourne uniquement lors de l'extrusion c'est déjà pas mal d'heures de gagnées.

j'attend impatiemment cette modif et je travaille au déplacement de la carte SD (plus facile pour moi ça) :D
Avatar de l’utilisateur
Jacques
Site Admin
Messages : 5701
Inscription : jeu. oct. 23, 2014 3:02 pm
Imprimante 3D : Witbox, Witbox, Hephestos, Bambu Lab P2S Combo
Localisation : Aix en Provence
Contact :

Pour diminuer le bruit de ventilation il faut soit augmenter la taille des ventilateurs en diminuant la vitesse de rotation, ou multiplier les ventilateurs en tournant encore moins vite.
On pourrait donc laisser les deux ventilateurs tout en divisant la vitesse de rotation par deux, le bruit serait alors bien plus bas qu'un seul à vitesse normale.
Cependant ces ventilateurs ne peuvent accepter une baisse de vitesse en jouant simplement sur la tension d'alimentation. Il faut pulser la tension pour augmenter le couple et ainsi pouvoir monter en vitesse lors du démarrage.
Une solution simple serait de pulser l'alimentation et régler la vitesse de rotation à l'aide d'un potentiomètre. Ce ne serait pas une véritable régulation mais une véritable baisse de bruit en fonctionnement. On pourrait alors augmenter la vitesse par temps chaud et baisser par temps froid.
Ca peut être une solution simple à mettre en oeuvre si j'utilise la sonde du plateau chauffant en ambiance en connectant les ventilateurs à la sortie plateau chauffant. il manquera juste à utiliser une sonde inverse CTP au lieu de CTN afin d'avoir une ventilation forte s'il fait chaud et non l'inverse.
Je vais regarder ce que je peux faire à ce sujet.
Des idées d'améliorations https://www.thingiverse.com/Premium/designs
Une question, une précision, un manque de pièces détachées, posez vos questions ici même.
Blumax
Contributeur
Messages : 96
Inscription : sam. oct. 25, 2014 9:09 am
Imprimante 3D : Prusa i3

Il existe aussi des ventilateur plus discret :
Regardez ceci :
http://www.maboutiquemicro.com/images/p ... /nfp14.jpg
http://www.dragonsteelmods.com/Images/r ... ctic14.JPG
J'ai personnellement ces deux type de ventilo dans deux ordinateur différent, je n'entend aucun bruie de ventilation sur les ordis.
Reste a savoir si sa existe en petite dimension...

Et j'adapte aussi ma laque suivant la température, si il fait bon, je prend la laque que Jacques m'a vendu, si il fait plus frais j'utilise de la garnier fructis extra fort aux extrait de bambou.
gdjeff
Contributeur actif
Messages : 170
Inscription : dim. oct. 26, 2014 9:08 am
Imprimante 3D : BQ Witbox

J'ai trouvé ce type de ventilo silencieux sur la witbox ce sont des 80mm ça va de 2 euros à 15 euros/pc
Avatar de l’utilisateur
Jacques
Site Admin
Messages : 5701
Inscription : jeu. oct. 23, 2014 3:02 pm
Imprimante 3D : Witbox, Witbox, Hephestos, Bambu Lab P2S Combo
Localisation : Aix en Provence
Contact :

gdjeff a écrit :J'ai trouvé ce type de ventilo silencieux sur la witbox ce sont des 80mm ça va de 2 euros à 15 euros/pc
Le bruit d'un ventilateur est directement lié au volume d'air déplacé par secondes qui dépend lui-même du produit diamètre X vitesse de rotation.
A diamètre égal, il n'y aura qu'une seule possibilité de baisser son bruit, baisser sa vitesse, ce qui revient à baisser son volume d'air déplacé.
Par contre, à 2500 trm, deux ventilateurs seront bien plus silencieux qu'un seul à 5000 trm pour un même volume déplacé.
Donc, changer le ventilateur par un seul moins rapide ne résoudra pas véritablement le problème dans la mesure ou par temps chaud il sera impossible de brasser plus d'air.
Ensuite, les ventilateurs Witbox sont équipés de roulements à billes, ce qui n'est pas le cas des ventilateurs low-cost qui ne fonctionneront pas très longtemps, et surtout sans faire de bruit.
La solution réside donc dans la régulation automatique ou manuelle, mais électronique.
Des idées d'améliorations https://www.thingiverse.com/Premium/designs
Une question, une précision, un manque de pièces détachées, posez vos questions ici même.
gdjeff
Contributeur actif
Messages : 170
Inscription : dim. oct. 26, 2014 9:08 am
Imprimante 3D : BQ Witbox

Ce qui m’intéresse plus personnellement c'est l'arrêt total des ventilo, comme votre solution propose . Ainsi que l'arrêt de l’éclairage et le général.
Je me rend compte que pas mal de possesseur de la witbox ne maîtrisent pas l'ambiance extérieur de la witbox probablement à cause de sa localisation dans un atelier moins bien chauffé et effectivement à ce moment là c'est la modulation de la ventilation qui peut sauver la mise.

Par contre je crois que le bruit d'un ventilo est aussi du au frottement de l'air sur ses éléments et certains ventilo à diamètre, débit et vitesse identique ne produiront pas le même bruit
http://www.cooling-masters.com/articles-39-5.html

Après faudrait déjà savoir quel type de ventilo se trouve dans la witbox et son nombre de decibels
Avatar de l’utilisateur
Jacques
Site Admin
Messages : 5701
Inscription : jeu. oct. 23, 2014 3:02 pm
Imprimante 3D : Witbox, Witbox, Hephestos, Bambu Lab P2S Combo
Localisation : Aix en Provence
Contact :

L'étude des pales d'un ventilateur est une chose sérieuse qui préoccupe tous les constructeurs pour deux raisons essentielles, l'efficacité et le bruit. Le bruit est du au frottement de l'air sur les arrêtes vives des pales et sur les obstacles. Le bruit est de fait en opposition avec l'efficacité qui est recherchée.
Si nous retirions tout frein à l'air nous aurions bien moins de bruit, mais dans ce cas il faudrait commencer par évider complètement le châssis de la Witbox, c'est possible, mais ca posera un problème de sécurité pour nos doigts.
Une autre solution serait de créer un support écartant le ventilateur d'un cm par rapport au châssis, ça apporterait un plus mais je ne pense pas qu'il y ait la place de le faire.
Le bruit de ventilation est un problème que je connais bien par mon métier. La seule solution que nous ayons trouvé pour limiter le bruit des PC est de n'installer que des ventilateurs de gros diamètre et plus lents.
Des idées d'améliorations https://www.thingiverse.com/Premium/designs
Une question, une précision, un manque de pièces détachées, posez vos questions ici même.
Avatar de l’utilisateur
Jacques
Site Admin
Messages : 5701
Inscription : jeu. oct. 23, 2014 3:02 pm
Imprimante 3D : Witbox, Witbox, Hephestos, Bambu Lab P2S Combo
Localisation : Aix en Provence
Contact :

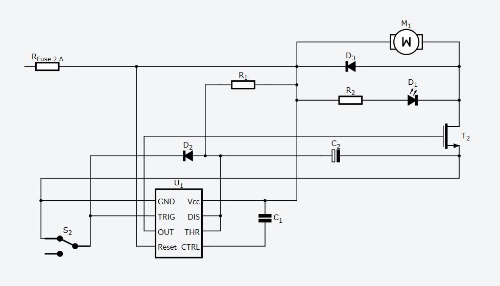
Le schéma définitif testé.
Schema Vent Witbox Prusa.JPG
Le CI (43 * 25,4 mm)
ventCI.jpg
ventCI.jpg (56.67 Kio) Consulté 28671 fois
Si quelqu'un se propose de réaliser le CI prototype ce serait bien :)

Attention nouvelle version de CI plus bas dans ce sujet
Des idées d'améliorations https://www.thingiverse.com/Premium/designs
Une question, une précision, un manque de pièces détachées, posez vos questions ici même.
Avatar de l’utilisateur
Jacques
Site Admin
Messages : 5701
Inscription : jeu. oct. 23, 2014 3:02 pm
Imprimante 3D : Witbox, Witbox, Hephestos, Bambu Lab P2S Combo
Localisation : Aix en Provence
Contact :

Bon, je vois qu'il n'y a pas beaucoup de proposition...
Si une personne me fabrique ce circuit en au moins deux exemplaires, je lui équipe gratuitement une carte pour lui.
C'est pas beau comme proposition ? :ympray:

Ci-dessous la dernière version du CI (pour s'adapter au commutateur on/auto que j'ai)
vent1.pdf
(62.02 Kio) Téléchargé 1105 fois
Attention nouvelle version de CI plus bas dans ce sujet
Des idées d'améliorations https://www.thingiverse.com/Premium/designs
Une question, une précision, un manque de pièces détachées, posez vos questions ici même.
Répondre